Редукторы цилиндрические двухступенчатые горизонтальные узкие предназначены для применения в приводах различных машин и механизмах для изменения крутящих моментов и частоты вращения.
Редукторы рассчитаны для работы в следующих условиях:
- работа длительная до 24 ч. в сутки или с периодическими остановками;
- работа в непрерывном и повторно-кратковременном режимах, нагрузка одного направления и реверсивная;
- вращение валов в любую сторону;
- частота вращения входного вала не превышает 1800 об/мин;
- климатические исполнения У1, У2, У3, УХЛ4, Т1, Т2, Т3 и О4 по ГОСТ 15150-69;
- атмосфера типов I и II по ГОСТ 15150-69 при запыленности воздуха не более 10 мг/м3.
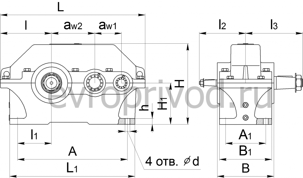
|
Тип |
Размер, мм |
||||||||||||||||
|
аω2 |
аω1 |
L |
L1 |
l |
l1 |
* l2 |
* l3 |
H |
H1 |
A |
A1 |
d |
B |
B1 |
h |
||
|
не более |
Чугун. корпус |
Алюмин. корпус |
|||||||||||||||
|
1Ц2У-100 |
100 |
80 |
390 |
325 |
136 |
85 |
136 |
165 |
230 |
112 |
290 |
109 |
15 |
155 |
145 |
- |
20+3 |
|
1Ц2У-125 |
125 |
80 |
446 |
375 |
160 |
106 |
145 |
206 |
272 |
132 |
335 |
125 |
19 |
175 |
165 |
- |
22+3 |
|
1Ц2У-160 |
160 |
100 |
557 |
475 |
200 |
135 |
170 |
224 |
345 |
170 |
425 |
140 |
24 |
206 |
195 |
24+4 |
28+4 |
|
1Ц2У-200 |
200 |
125 |
678 |
580 |
243 |
165 |
212 |
280 |
425 |
212 |
515 |
165 |
24 |
243 |
230 |
30+4 |
- |
|
1Ц2У-250 |
250 |
160 |
829 |
730 |
290 |
212 |
265 |
335 |
530 |
265 |
670 |
218 |
28 |
290 |
280 |
32+5 |
- |
* - для исполнений с коническим валами

