Редукторы цилиндрические одноступенчатые горизонтальные узкие предназначены для применения в приводах различных машин и механизмах для изменения крутящих моментов и частоты вращения.
Редукторы рассчитаны для работы в следующих условиях:
- работа длительная до 24 ч. в сутки или с периодическими остановками;
- работа в непрерывном и повторно-кратковременном режимах, нагрузка одного направления и реверсивная;
- вращение валов в любую сторону;
- частота вращения входного вала не превышает 1800 об/мин;
- климатические исполнения У1, У2, У3, УХЛ4, Т1, Т2, Т3 и О4 по ГОСТ 15150-69;
- атмосфера типов I и II по ГОСТ 15150-69 при запыленности воздуха не более 10 мг/м3.
|
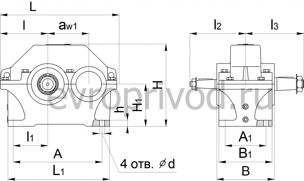
Тип |
аω2 |
L |
L1 |
l |
l1 |
* l2 |
* l3 |
H |
H1 |
h |
A |
A1 |
B |
B1 |
h |
|
|
не более |
Чугун. корпус |
Алюмин. корпус |
||||||||||||||
|
1ЦУ-100 |
100 |
315 |
265 |
132 |
85 |
136 |
155 |
224 |
112 |
22 |
224 |
95 |
140 |
132 |
- |
20+3 |
|
1ЦУ-160 |
160 |
475 |
412 |
195 |
136 |
218 |
218 |
335 |
170 |
28 |
355 |
125 |
185 |
175 |
- |
22+3 |
|
1ЦУ-200 |
200 |
580 |
500 |
236 |
165 |
230 |
265 |
425 |
212 |
36 |
437 |
136 |
212 |
200 |
24+4 |
28+4 |
|
1ЦУ-250 |
250 |
710 |
615 |
290 |
212 |
280 |
315 |
530 |
265 |
40 |
545 |
185 |
265 |
250 |
30+4 |
- |
* - для исполнений с коническим валами

