Редукторы цилиндрические трехступенчатые горизонтальные с передачами Новикова общемашиностроительного применения используются в приводах различных машин и механизмов для изменения крутящих моментов и частоты вращения
Редукторы рассчитаны для работы в следующих условиях:
- работа длительная до 24 ч. в сутки или с периодическими остановками;
- работа в непрерывном и повторно-кратковременном режимах, нагрузка одного направления и реверсивная;
- вращение валов в любую сторону;
- частота вращения входного вала не превышает 1800 об/мин;
- климатические исполнения У1, У2, У3, УХЛ4, Т1, Т2, Т3 и О4 по ГОСТ 15150-69;
- атмосфера типов I и II по ГОСТ 15150-69 при запыленности воздуха не более 10 мг/м3.

|
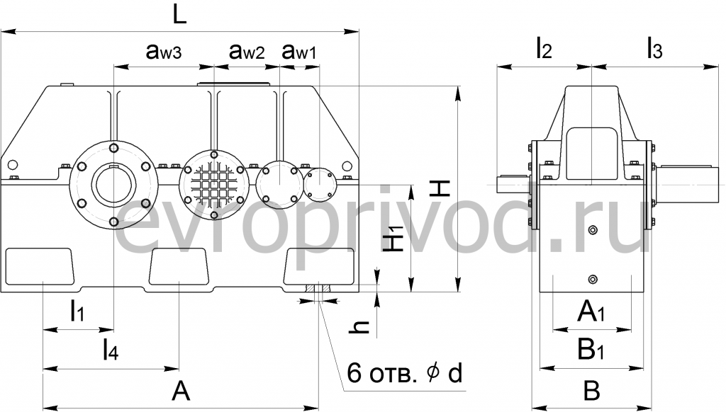
Типоразмер редуктора |
L |
A |
l4 |
l1 |
L2 |
L3 |
B |
A1 |
B1 |
|
ЦЗУ-315Н |
1130 |
830 |
415 |
215 |
270 |
420 |
395 |
260 |
340 |
|
ЦЗУ-355Н |
1255 |
950 |
475 |
250 |
290 |
440 |
435 |
280 |
355 |
|
Типоразмер редуктора |
H |
H1 |
h |
d |
aw3 |
aw2 |
aw1 |
|
ЦЗУ-315Н |
685 |
335 |
35 |
28 |
315 |
200 |
125 |
|
ЦЗУ-355Н |
740 |
375 |
35 |
28 |
355 |
225 |
140 |
