Специальные крановые цилиндрические трехступенчатые редукторы, типа В и В...Ф предназначены для эксплуатации в вертикальном и наклонном положении в приводах механизмов передвижения кранов и крановых тележек.
Тип В-100, В-125, В-160 (Ц3ВК-100, Ц3ВК-125, Ц3ВК-160)
|
Тип |
aw1 |
aw2 |
аw3 |
L1 |
l |
l1 |
l2 |
l3 |
l4 |
l5 |
H |
h |
A |
А1 |
B |
d |
|
не более |
||||||||||||||||
|
В-100 |
80 |
100 |
100 |
470 |
100 |
71,5 |
235 |
300 |
55 |
170 |
254 |
40 |
135 |
60 |
170 |
11 |
|
В-125 |
125 |
125 |
545 |
125 |
71 |
263 |
320 |
60 |
185 |
316 |
60 |
180 |
80 |
200 |
14 |
|
|
В-160 |
100 |
160 |
160 |
692 |
160 |
92 |
295 |
360 |
75 |
215 |
390 |
80 |
220 |
230 |
18 |
|
________________________________________________________
Тип В-100Ф, В-125Ф, В-160Ф (Ц3ВКф-100, Ц3ВКф-125, Ц3ВКф-160)
|
Тип |
aw1 |
aw2 |
аw3 |
L |
L1 |
l |
l1 |
l3 |
l4 |
l5 |
H |
h |
A |
А1 |
B |
B1 |
D |
R |
d |
d1 |
|
не более |
||||||||||||||||||||
|
В-100ф |
80 |
100 |
100 |
520 |
470 |
100 |
71,5 |
325 |
55 |
170 |
254 |
40 |
135 |
60 |
170 |
260 |
300 |
132,5 |
11 |
14 |
|
В-125ф |
125 |
125 |
595 |
545 |
125 |
71 |
353 |
60 |
185 |
316 |
60 |
180 |
80 |
200 |
290 |
14 |
||||
|
В-160ф |
100 |
160 |
160 |
748 |
692 |
160 |
92 |
410 |
75 |
215 |
390 |
80 |
220 |
230 |
350 |
336 |
150 |
18 |
18 |
|
__________________________________________
Тип В-200, В-250, (Ц3ВК-200, Ц3ВК-250)
|
Тип |
aw1 |
aw2 |
аw3 |
L |
l |
l1 |
l2 |
l3 |
l4 |
H |
h |
А1 |
B3 |
|
не более |
|||||||||||||
|
В-200 |
125 |
160 |
200 |
825 |
190 |
130 |
210 |
420 |
67 |
450 |
70 |
100 |
277 |
|
В-250 |
160 |
200 |
250 |
1015 |
240 |
137,5 |
240 |
480 |
79 |
552 |
80 |
120 |
322 |
___________________________________________________
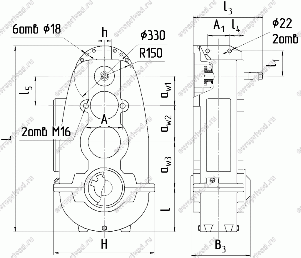
Тип В-200Ф, В-250Ф (Ц3ВКф-200, Ц3ВКф-250)
|
Тип |
aw1 |
aw2 |
аw3 |
L |
l |
l1 |
l3 |
l4 |
l5 |
H |
h |
A |
А1 |
B3 |
|
не более |
||||||||||||||
|
В-200ф |
125 |
160 |
200 |
840 |
190 |
130 |
327 |
67 |
100 |
450 |
70 |
200 |
100 |
277 |
|
В-250ф |
160 |
200 |
250 |
1015 |
240 |
137,5 |
379 |
79 |
163 |
552 |
80 |
120 |
322 |
|
